
聯翔葉片式氣動馬達是將壓力能轉換為機械能的能量轉換裝置,氣動馬達是把壓縮空氣的壓力能轉換為機械能裝置,氣動馬達應用在攪拌設備、食品藥物包裝、卷揚機、粉碎機、研磨機、卷撓裝置及自動生產線等設備上。
型號介紹:
1、 葉片式1V氣動馬達:
|
型 號
|
輸出功率
|
額定轉速
|
額定扭矩
|
耗 氣
|
額定氣壓
|
外形尺寸
|
重量
|
|
kw
|
r.p.m
|
n.m
|
m3/hr
|
MPa
|
mm
|
kg
|
|
|
LX2V
|
0.69
|
3000
|
2.20
|
51.00
|
0.70
|
100*90
|
3.20
|


型 號
減
速
比
輸出功 率
額定
轉速
額定
扭矩
耗 氣
額定氣壓
外形尺寸
重量
kw
r.p.m
n.m
m3/hr
MPa
mm
kg
LX2VA
10:1
0.68
300
16.00
50
0.70
102*175
5.50
15:1
0.65
200
24.00
50
0.70
102*175
5.50
20:1
0.62
150
29.00
50
0.70
102*175
5.50
30:1
0.58
100
38.00
50
0.70
102*175
5.50
60:1
0.45
50
61.00
50
0.70
102*175
5.50
以上數據為標準狀態下的參考參數,以現場使用狀態為準。
|
型 號
|
輸出功率
|
額定轉速
|
額定扭矩
|
耗 氣
|
額定氣壓
|
外形尺寸
|
重量
|
|
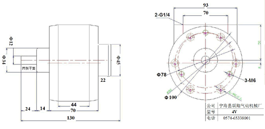
LX4V
|
kw
|
r.p.m
|
n.m
|
m3/hr
|
MPa
|
mm
|
kg
|
|
1.0
|
3000
|
4.0
|
65.00
|
0.70
|
100*115
|
3.90
|
5、LX4VA減(低)氣動馬達
|
型 號
|
減 速 比 |
輸出功 率 |
額定 轉速 |
額定 扭矩 |
耗 氣 |
額定氣壓 |
外形尺寸 |
重量 |
|
kw |
r.p.m |
n.m |
m3/hr |
MPa |
mm |
kg |
||
|
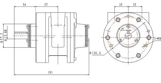
LX4VA |
10:1 |
0.75 |
300 |
25.00 |
65 |
0.70 |
102*189 |
6.20 |
|
15:1 |
0.72 |
200 |
36.00 |
65 |
0.70 |
102*189 |
6.20 |
|
|
20:1 |
0.70 |
150 |
43.50 |
65 |
0.70 |
102*189 |
6.20 |
|
|
30:1 |
0.63 |
100 |
60.00 |
67 |
0.70 |
102*192 |
6.50 |
|
|
60:1 |
0.50 |
50 |
90.00 |
68 |
0.70 |
102*192 |
6.50 |
以上數據為標準狀態下的參考參數,以現場使用狀態為準。

